Description:
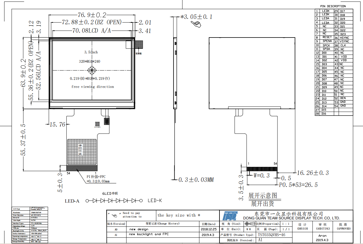
TST035QVHS-46 is a color active matrix TFT-LCD Panel using amorphous silicon TFT's as an active switching devices. this model is composed of a TFT-LCD Panel, a driving circuit and a back light system. It is a transmissive type display operating in the normal black. This TFT-LCD has a 70.08(W) x 52.56 (H) mm diagonally measured active area with 320 x (RGB) × 240 resolutions.
Drawing:

Specification
|
General Specification |
||
|
Part No. |
TST035QVHS-46 |
|
|
Outline Dimension(mm) |
76.9(W) x 63.9(H) x3.05(D) |
|
|
Active Area(mm) |
70.08(W) x 52.56 (H) |
|
|
Resolution(dots) |
320 x (RGB) × 240 |
|
|
Operating temperature(°C) |
-20 ~ +70°C |
|
|
Storage temperature(°C) |
-30 ~ +80°C |
|
|
Brightness |
450min,500typ |
|
|
Touch panel |
without |
|
|
Pixel arrangement |
RGB Vertical stripe |
|
|
Display mode |
Normal black, IPS |
|
|
Surface treatment |
Antiglare |
|
|
View direction |
All o'clock |
|
|
Weight(g) |
TBD |
|
|
Power Consumption(w) |
Panel |
TBD(Typ.) |
|
B/L system |
TBD(Typ.) |
|
|
Interface |
RGB24-bit |
|
|
Ic |
ST7272A |
|
|
Pins Description |
||
|
Pin No. |
Symbol |
Description |
|
1 |
LEDK |
Cathode of LED backlight. |
|
2 |
LEDK |
Cathode of LED backlight. |
|
3 |
LEDK |
Anode of LED backlight. |
|
4 |
LEDK |
Anode of LED backlight. |
|
5 |
NC |
- |
|
6 |
NC |
- |
|
7 |
NC |
Reset input signal |
|
8 |
RESET |
System reset pin. |
|
9 |
CS |
Chip select signal. |
|
10 |
SCK |
Serial clock input |
|
11 |
SDA |
Data input/output pin in serial interface |
|
12~19 |
B0-B7 |
Blue Data bus: B0~B7 |
|
20~27 |
G0-G7 |
Green Data bus: G0~G7 |
|
28~35 |
R0-R7 |
Red Data bus: R0~R7 |
|
36 |
HSYNC |
Line Synchronization input
|
|
37 |
VSYNC |
Frame/Ram Write Synchronization input |
|
38 |
DCLK |
Dot-clock signal and oscillator source. |
|
39 |
NC |
- |
|
40 |
NC |
- |
|
41 |
VDD |
Power supply for digital voltage |
|
42 |
VDD |
Power supply for digital voltage |
|
43 |
NC |
No Connect |
|
44 |
NC |
No Connect |
|
45 |
NC |
Not Connection |
|
46 |
NC |
Not Connection |
|
47 |
NC |
Not Connection |
|
48 |
X- |
Not Connection |
|
49 |
Y- |
Not Connection |
|
50 |
X+ |
Not Connection |
|
51 |
Y+ |
Not Connection |
|
52 |
DE |
Display enable pin from controller. |
|
53 |
GND |
Ground. |
|
54 |
GND |
Ground. |
Applications:
1. Office Electronic Equipment: money counting machine, office phone set, copying mechine.
2. Household Appliances: refrigerator, air conditioner, induction cooker, microwave ovens.
3. Instruments: clinical thermometer, wire tester, digital watches, electronic weight scale.
4. Medical Devices: sphygmomanometer, ECG machine
5. Sports Equipment: Running machine.
6. Industrial Control Equipment: remote control, punched-card machine.
7. Information Terminal Display: POS, PDA, Handheld devices.

Email : info@tslcd.com
Tel : +86-755-28225963












